Mid7night

Jetman
Mentor

Proptastic

Active member
So I guess with bigger motors come bigger x-mounts. Just trying to figure how big my plywood firewall will be without knowing the motor size yet. With less plywood I can cut bigger air scoops in the foam.
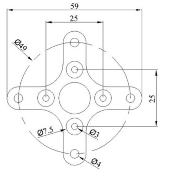
Early estimate of motor size might be a 4250. Does anyone have a measurement of the x-mount of a similar one?
 
Last edited:

Mr Man

Mr SPEED!
So I guess with bigger motors come bigger x-mounts. Just trying to figure how big my plywood firewall will be without knowing the motor size yet. With less plywood I can cut bigger air scoops in the foam.
Early estimate of motor size might be a 4250. Does anyone have a measurement of the x-mount of a similar one?
Like this?
 

Attachments

  • IMG_7927.jpeg
    IMG_7927.jpeg
    90.6 KB · Views: 0

Flying Monkey fab

Elite member
This challenge, although a great learning experience, was going to be free to me except for the time. However, in the last week, I've ordered DTFB, a receiver, and some ball links. Guess what costs the most? Yeah, the ball links. Bits and pieces of hardware can be costly.
 

Flying Farm Kid

Well-known member
We will be joining a bit late but we work better under pressure lol, Our goal is a 12 foot "144 in" B29. Powered by 4 xl power packs, is this large enough? It will be master series style. We are hoping to mount an x1 to the bottom of it eventually, that may be the case for the prototype not the main one though. I will make a thread sometime tomorrow for the build.
 

Houndpup Rc

Legendary member
We will be joining a bit late but we work better under pressure lol, Our goal is a 12 foot "144 in" B29. Powered by 4 xl power packs, is this large enough? It will be master series style. We are hoping to mount an x1 to the bottom of it eventually, that may be the case for the prototype not the main one though. I will make a thread sometime tomorrow for the build.
NICE!!!!! Yes, you are definitely big enough 😂 (64" is minimum I believe)